You are in:
/ Home /Rate :
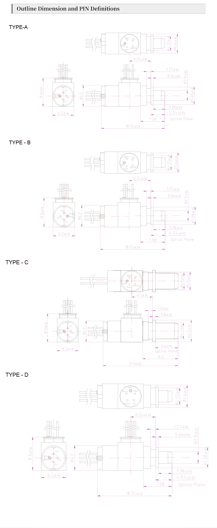
10G|
Parameter
|
Symbol
|
Min
|
Max.
|
Unit
|
|
LD Reverse Voltage
|
Vr(LD)
|
--
|
2
|
V
|
|
LD Forward Current
|
If (LD)
|
--
|
120
|
mA
|
|
PD Forward Current
|
If(PD)
|
--
|
2
|
mA
|
|
PD Reverse Voltage
|
Vr(PD)
|
--
|
20
|
V
|
|
Operating Temperature
|
Top
|
-20
|
85
|
℃
|
|
Storage Temperature
|
Tstg
|
-40
|
85
|
℃
|
|
Lead Solder Temperature
|
--
|
--
|
260
|
℃
|
|
Lead Soldering Time
|
--
|
--
|
10
|
s
|
|
Transmitter Optical& Electrical Characteristics (T=25ºC)
|
||||||
|
Parameter
|
Symbol
|
Test Condition
|
Min
|
Typ
|
Max
|
Unit
|
|
Threshold Current
|
Ith
|
25℃
|
--
|
--
|
12
|
mA
|
|
85℃
|
--
|
--
|
40
|
mA
|
||
|
Forward Voltage
|
Vf
|
Iop=Ith+20mA
|
--
|
--
|
1.7
|
V
|
|
Monitor Current(MPD)
|
Im
|
Iop=Ith+20mA
|
50
|
--
|
1000
|
uA
|
|
Dark Current(MPD)
|
Id
|
Vr=5V
|
--
|
--
|
100
|
nA
|
|
Optical Output Power
|
Po
|
Iop=Ith+20mA,25℃
|
0.8
|
--
|
1.6
|
mW
|
|
Iop=Ith+20mA,85℃
|
0.5
|
--
|
--
|
mW
|
|
|
|
Slope efficiency
|
SE
|
Iop=Ith+20mA,25℃
|
0.04
|
--
|
0.08
|
mW/mA
|
|
Iop=Ith+20mA,85℃
|
0.025
|
--
|
--
|
mW/mA
|
|
|
|
Central Wavelength
|
λc
|
Iop=Ith+20mA
|
λc-10
|
λc
|
λc+10
|
nm
|
|
Spectral Width ,-20dB
|
Δλ
|
Iop=Ith+20mA
|
--
|
--
|
1
|
nm
|
|
Side-mode suppression Ratio
|
SMSR
|
Iop=Ith+20mA
|
30
|
--
|
--
|
dB
|
|
Rise/Fall Time
|
Tr/Tf
|
20~80%
|
--
|
50
|
--
|
ps
|
|
Tracking Error
|
TE
|
-20℃~85℃
|
-1.5
|
--
|
+1.5
|
dB
|
|
Receiver Optical/Electrical Characteristics
|
||||||
|
Parameter
|
Symbol
|
Test Condition
|
Min
|
Typ
|
Max
|
Unit
|
|
Operating Voltage
|
Vcc
|
--
|
3.0
|
3.3
|
3.6
|
V
|
|
Supply current
|
Icc
|
Vcc=3.3V
|
--
|
--
|
35
|
mA
|
|
Operating Wavelength
|
λc
|
--
|
λ-10
|
λc
|
λ+10
|
nm
|
|
RSSI Offset Current
|
Id
|
Vcc=3.3V
|
--
|
--
|
100
|
nA
|
|
Sensitivity
|
Sen
|
10.3125Gbps,PRBS31,
ER=6dB,BER=1E-12
|
--
|
--
|
-15
|
dBm
|
|
Overload
|
OL
|
0
|
--
|
--
|
dBm
|
|









Hot Tags :